推薦產品
聯系我們
深圳市驪微電子科技有限公司
電話:0755-23087599
手機:13808858392
郵箱:dunianhua@leweitech.com
地址:深圳市寶安區西鄉鶴洲恒豐工業城B11棟5樓東
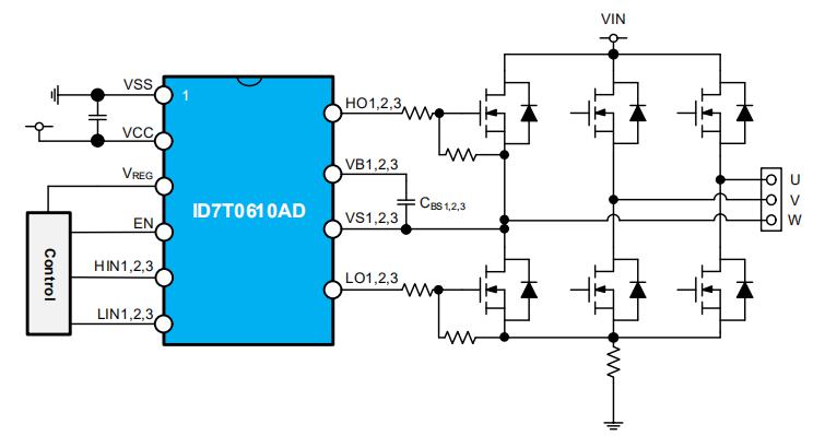
ID7T0610AD 60V三相直流無刷驅動芯片帶LDO
所屬分類:芯朋電機驅動芯片
品牌:芯朋微/安趨
型號:ID7T0610AD
封裝:QSOP24
功率:60V
電流:1A/1A
型號:ID7T0610AD
封裝:QSOP24
功率:60V
電流:1A/1A
訂購熱線:0755-23087599
ID7T0610AD是一款針對三相無刷直流電機驅動應用而設計的低壓柵極驅動芯片。ID7T0610AD三相直流無刷驅動芯片它能夠驅動由6個N溝道MOSFET組成的三相全橋拓撲。它集成了一個5V的LDO,可為微控制器或其他電路提供電源。內部保護功能包括死區時間過沖預防和欠壓鎖定。
ID7T0610AD三相直流無刷驅動芯片特性
■ 高壓范圍達60V
■ 高側擊穿電壓大于80V
■ Vcc電壓范圍為7V-15V
■ 5V LDO輸出
■ 欠壓保護功能(UVLO)
■ 內置180ns死區時間來防止共態導通
■ 內置自舉二極管
■ 輸出拉灌電流能力1A/1A
封裝訂購信息

ID7T0610AD帶ldo驅動ic典型應用電路圖

應用領域
■ 電動工具
■ 低壓水泵
■ 低壓風機
■ 三相無刷直流電機和永磁同步電機
ID7T0610AD 三相直流無刷驅動芯片是具有LDO的三相柵極驅動芯片,輸入功率電壓高達 60V,7-15V 寬范圍工作電壓范圍,1A/1A 拉灌電流能力。典型應用于電動工具、電動車、低壓風機和泵等領域,更多ID7T0610AD無刷電機驅動芯片60v產品手冊、電學參數等資料請向驪微電子申請。>>
阿里巴巴店鋪
關注驪微
收藏驪微










